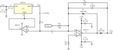
静带电路应用于伺服系统中。一个精密电流源和一个半波倒相整流器可构成一种正静带电路(图1)。REF01,即IC1,是一个10V精密电压基准。它配上一个单位增益缓冲器(IC2A)和电阻器R1,即可构成一个精密电流源。IC2A迫使IC1的接地引脚(引脚4)处于IC2A正相输入端的电位。IC1使其高精密10V基准电压加在R1两端,所以流过R1的电流I1为10V/R1。
因为IC2B的倒相输入端连接到电流源的输出端,所以反馈二极管D1对I1来说是正向偏置的。这一正向偏置的二极管使IC2B的输出端保持在大的-0.6V。由于D2的阴极端通过R3而处于虚拟地电位,所以D2仍然是反向偏置的。 因此,VOUT仍然是虚拟地电位(0V)。任何正电压加到引脚VIN上,都进一步使D1和D2分别正向偏置和反向偏置,VOUT在VIN>0V时仍然处于0V(静带区)。
负的输入VIN往往使D2正向偏置,而使D1反向偏置。这种偏置情况只是在流过R2的电流(因为VOUT为负的缘故)等于或大于10V/R1时才会发生。所以,在VIN达到等于-10R2/R1的电压值之前,输出VOUT一直为0V(静带)。如果选用R1=20kΩ,则在VIN>(-5V)时,VOUT仍然为0V;在VIN≤(-5V)时,VOUT=(-VIN-5V)。
图2示出了说明这种情况的传递函数。C1、C2和C3是IC1和IC2的去耦电容器。R4可减小IC2B在非静带范围内的失调电压。你也可实现一种简单的静带电路,方法是在不用单位增益缓冲器IC2A的情况下,通过一只连接到电压基准的精密电阻器对倒相的半波整流器进行预先偏置。不过,这种简单的静带电路会增大噪声增益,从而增加输出端的失调电压与噪声。

图1 该电路在输入信号比R1确定的任意值更正时呈现出一个静带区。

图2 在R1=20kΩ时,图1所示电路在输入电压大于-5V时处于“静”态。